Springe auf Hauptinhalt Springe auf Hauptmenü Springe auf SiteSearch

Zähler richtig einbauen

Dirk Gabel ist Manager Operations bei Solare Datensysteme. Bei ihm laufen die Fragen der Installateure auf, die die Support-Kollegen des Herstellers nicht routinemäßig beantworten können. Regelmäßig betreffen diese Fragen auch den richtigen Zählereinbau. Grund genug, an dieser Stelle einmal genauer hinzuschauen.

Mehrere Zähler in einem System

Die Geräte der Solar-Log-Serie gehören zu den am häufigsten verbauten Monitoringgeräten am Markt. Soll keine Volleinspeisung erfolgen, was immer häufiger der Fall ist, übernimmt der Solar-Log vielfältige andere Aufgaben.

Er fungiert als Kommunikationsschnittstelle zwischen Wechselrichter, Verbrauchszähler und anderen Geräten wie zum Beispiel Heizstab und BHKW, aber auch zu Netzbetreibern und Direktvermarktern.

Weil die Schnittstellen der Netzbetreiber-Zähler nicht frei zugänglich sind, müssen je nach Anlagenkonfiguration ein oder mehrere zusätzliche Zähler ins System eingebunden werden. Dabei ist Solar-Log flexibel. Verschiedene Zählertypen können eingebunden werden.

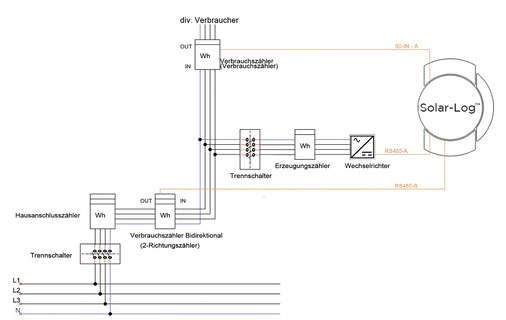
Falsche Position und Konfiguration

Die Zähler werden nicht von Solare Datensysteme hergestellt. Allerdings sind sie auf das Solar-Log-System abgestimmt, sodass die Kommunikation reibungslos klappt und die Schnittstellen funktionieren.

Doch auch bei Verwendung kompatibler Zähler gibt es einige Fallstricke. Die Position und die Konfiguration des Zählers müssen richtig gewählt und ausgeführt werden, um die gewünschte Messung und damit verbundene Steuerung zu gewährleisten. Wenn ein Zähler beispielsweise nur Verbräuche erfassen soll – also als Einrichtungszähler verwendet wird –, ist die korrekte Position direkt vor allen Verbrauchern. Er muss in diesem Fall hinter dem Knotenpunkt sitzen, wo öffentliches Netz, Photovoltaikanlage, Verbraucher und eventuell AC-Batteriesysteme zusammenlaufen.

Falsch wäre, solch einen Zähler direkt hinter dem Hausanschlusszähler des Netzbetreibers einzubauen. Seine Bestimmung erhält er aber erst durch die korrekte Position des Einbaus und die zugewiesene Konfiguration.

Misst der Zähler wirklich, was er soll?

Wird zum Beispiel ein Zweirichtungszähler wie der Solar-Log Pro380-Mod direkt hinter dem EVU-Zähler verbaut, würde er beide Energieflussrichtungen messen: den Energiefluss ins öffentliche Netz und den aus dem Netz ins Haus.

Direkt vor den Verbrauchern positioniert, misst er nur die Verbraucher. Im ersten Fall, Position hinter dem EVU-Zähler, wäre die richtige Konfiguration Verbrauchszähler (Zweirichtungszähler). Im zweiten Fall, Position vor den Verbrauchern, wäre die richtige Konfiguration Verbrauchszähler (Einrichtungszähler).

Für Zähler, deren Energie bereits vorher von einem Zähler erfasst wurde, gibt es den Betriebsmodus Unterverbrauchszähler. Ganz eindeutig beschrieben ist das alles im Handbuch, dennoch findet sich hier ein häufiger Fehler. Die Konfiguration erfolgt nach der Erkennung der Zähler. Damit diese Erkennung gestartet werden kann, müssen die Schnittstellen von Zähler und Solar-Log verbunden werden.

Falsche Schnittstellenwahl

Bleiben wir bei dem Beispiel: Ein Zähler soll als Verbrauchszähler fungieren. Die Konfiguration erfolgt nach der Erkennung der Zähler. Damit diese Erkennung gestartet werden kann, müssen die Schnittstellen von Zähler und Solar-Log miteinander verbunden werden. Auch hier gibt es noch eine kleine Stolperfalle: die richtige Schnittstelle wählen.

Denn die meisten Zähler bieten eine S0- und eine RS485-Schnittstelle. Wählt man beim Zähler die S0-Schnittstelle, muss man ihn auch über die S0-Schnittstelle am Solar-Log anschließen.

Wählt man beim Zähler eine andere Schnittstelle als am Solar-Log, bekommt man keine Werte. Die Schnittstellen passen nicht zusammen. Das ist ein möglicher Fehler, egal ob in Einrichtungs- oder Zweirichtungsposition.

Hilfe bei komplexen Szenarien

Der andere Fehlerfall: Der Pro380-Mod-Zähler ist hinter dem EVU-Zähler verbaut, hat die Anschlüsse S0 und RS485. Die Daten, die über S0-Schnittstelle übertragen werden, sind lediglich Daten einer Energieflussrichtung.

Das heißt, wenn an dieser Position der Zähler über S0 mit dem Solar-Log verbunden wird, wird nur die Hälfte der Werte erfasst. An dieser Position ist es zwingend notwendig, den Solar-Log und den Zähler über RS485 miteinander zu verbinden.

Wird eine Anlage gebaut, die zum Beispiel mehrere Gebäudeteile und verschiedene Verbraucher umfasst, ist es mitunter nicht so einfach, die notwendigen Zähler geschickt einzubauen. Eine allgemeingültige Checkliste, an der sich der Installateur entlanghangeln könnte, gibt es leider nicht. Dafür braucht es Erfahrung. Solare Datensysteme bietet Unterstützung: Kunden können sich mit einer Skizze der Anlagengegebenheiten beim Support melden. Die Mitarbeiter unterbreiten einen Vorschlag, welche Zähler an welchen Punkten mit welchen Konfigurationen sinnvoll sind. Auch beim Einbau von Batteriesystemen, mit denen Solar-Log nicht direkt kompatibel ist, kann ein bidirektionaler Zähler als Batteriezähler eingesetzt werden.

Größere Anlagen mit Utility-Meter

Bei Anlagen ab 100 Kilowatt Leistung weichen die Anforderungen der Netzbetreiber stark voneinander ab, zum Beispiel wenn Blindleistung gemessen und gesteuert werden soll. In diesem Fall kommt ein Utility-Meter zur Messung am Netzanschlusspunkt zum Einsatz. Die Zählertypen Janitza UMG 104 oder 604 können hierfür als Utility-Meter eingebunden werden.

Solare Datensysteme bietet für diese Anlagenklasse mit dem jeweiligen Netzbetreiber abgestimmte und abgenommene PM-Pakete an. Sie bestehen aus I/O-Boxen und PM-Profilen. Die I/O-Boxen sind ein flexibles Gateway zwischen Fernwirktechnik und Solar-Log 2000. Durch die PM-Profile werden die Ein- und Ausgangssignale der I/O-Boxen entsprechend den Vorgaben des Netzbetreibers definiert.

Solare Datensysteme

Sonnenkraft für Feriendorf im Libanon

Las Salinas ist ein Ferienort in Enfeh, an der Nordküste im Libanon. Die Photovoltaikanlage mit einer Nennleistung von 265 Kilowatt sorgt dafür, dass der gesamte Ferienort in hohem Maße mit Solarstrom versorgt wird. Um den Eigenverbrauch effizient zu regeln, ist ein Energiemanagementsystem im Einsatz.

Da es an diesem Standort immer wieder zu Netzausfällen kommt, werden Dieselgeneratoren zur Überbrückung eingesetzt. Ein Powermanagementsystem, bestehend aus dem Solar-Log-Energiemanagementsystem und einer individuellen SPS-Lösung (SPS = speicherprogrammierbare Steuerung), koordiniert das Zusammenspiel zwischen Solaranlage und Dieselgenerator. So wird bei Netzproblemen eine optimale Nutzung beider Systeme gewährleistet.

www.solar-log.com

SRS Nord

Der Frühling kommt: Saubere Anlagen bringen mehr Erträge

Mit dem mobilen Sun-Brush-System in Verbindung mit einem Teleskoplader reinigt das Unternehmen Solarreinigung Service Nord aus Lehmkuhlen Solaranlagen auch an schwer erreichbaren Stellen schnell und effizient. Dank mobiler Teleskoparmtechnologie und mithilfe von Hubsteigern ist eine schonende, aber dennoch gründliche Reinigung möglich, ohne die Dächer zu betreten. Die Reinigungsbürsten können an einen großen Teleskoplader und eine Betonpumpe angebaut werden.

www.srsnord.de

Jetzt weiterlesen und profitieren.

+ PV E-Paper-Ausgabe – jeden Monat neu
+ Kostenfreien Zugang zu unserem Online-Archiv
+ Fokus PV: Sonderhefte (PDF)
+ Webinare und Veranstaltungen mit Rabatten
+ Adresseintrag im jährlichen Ratgeber
uvm.

Premium Mitgliedschaft

2 Monate kostenlos testen